光伏头条获悉,11月20日,山西省能源局发布《关于山西省2025年分布式可再生能源项目评审结果的公示》。
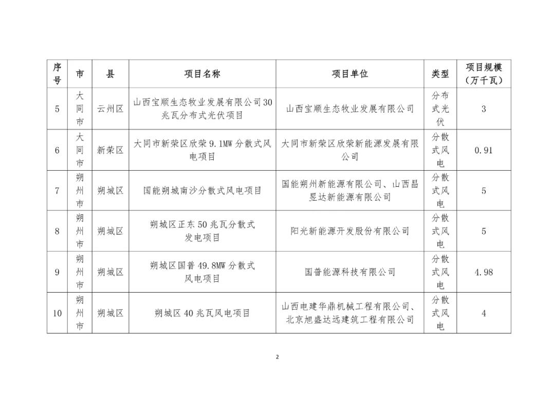
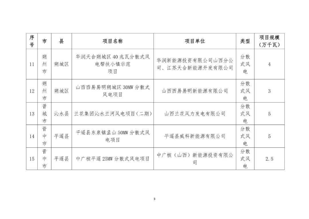
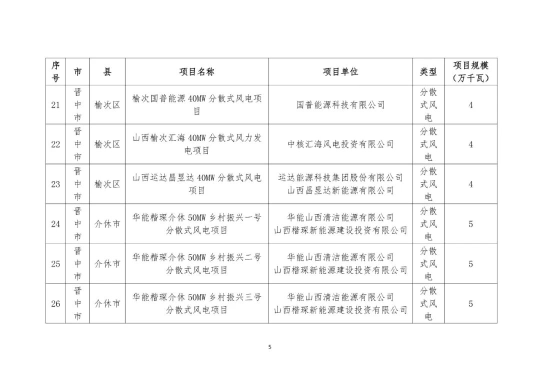
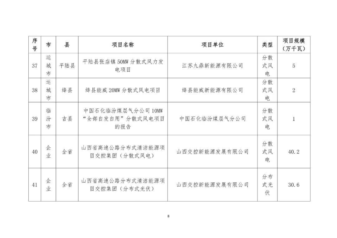
内容显示,根据《关于做好2025年分布式可再生能源发展有关工作的通知》,省能源局组织专家对各市初选上报的2025年分布式可再生能源发展项目进行了评审,评选出项目41个、规模231.49万千瓦。
其中,分散式风电项目39个,规模合计197.89万千瓦;分布式光伏项目2个,规模合计33.6万千瓦。
从业主方面看,山西交控集团规模最大,合计70.8万千瓦,其次为华能、山西楷琛新能源建设投资有限公司联合体,规模合计15万千瓦。

项目清单如下:

据悉,9月25日,山西省能源局发布关于做好2025年分布式可再生能源发展有关工作的通知。
通知指出,山西省能源局拟组织开展2025年度分布式可再生能源省级建设计划申报工作,各市能源局要按照晋政办发〔2023〕5号文件明确的发展目标和重点任务,根据当地资源条件和电网承载力,围绕各项行动计划提出的发展路径和试点方向,尤其在“千家万户沐光行动”和“交通运输与能源融合”等方面积极探索,组织申报分布式可再生能源项目。绿色区域分布式电源承载力合计为401.3万千瓦。
公告如下:

山西省能源局关于山西省2025年分布式可再生能源项目评审结果的公示
根据《关于做好2025年分布式可再生能源发展有关工作的通知》(晋能源新能源发〔2025〕193号),省能源局组织专家对各市初选上报的2025年分布式可再生能源发展项目进行了评审,评选出项目41个、规模231.49万千瓦,现将结果予以公示。
公示时间为2025年11月20日至11月26日。如有异议,请在公示期内向项目所在市能源局提出书面意见,各市汇总上报省能源局。
联系电话:0351-4117512
电子邮箱:sxsnyjxnyc2025@126.com
附件:拟纳入2025年分布式可再生能源项目清单
山西省能源局
2025年11月20日








来源:山西省能源局
切换行业






正在加载...



