当前位置: 新能源网 » 新能源知识 » 正文

教你看风电场的升压站电气主接线图

日期:2017-11-06    来源:计鹏新能源  作者:王亦昕

国际新能源网

2017
11/06
09:26
文章二维码

手机扫码看资讯

关键词: 风电场 升压站 风电百科

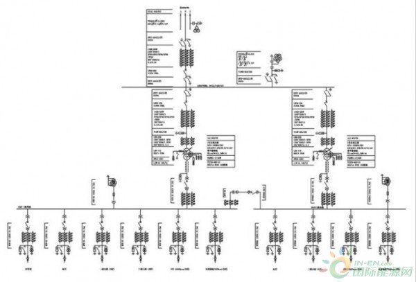
  某风电场升压站电气主接线图


 
  一张升压站电气主接线图看似繁复,但只需将各个主要设备分解识别,做到化整为零,就会迎刃而解。下面为大家一一介绍图上主要设备:
 
  一、主变压器
 
  在笔者看来,主变压器是整个升压站的灵魂设备,最直接的体现了升压站的电压等级和容量。
 
 
  此项目的主变压器采用三相有载调压三绕组变压器(带平衡绕组)。图中最上方圆圈代表高电压等级绕组(220kV或1110kV),其中箭头代表有载调压、圆圈正中的Y字形代表三相Y接、从Y接的中性点引出的设备为接地隔离开关及接地保护间隙。图中最下方的圆圈代表中电压等级绕组(风电场一般为35kV),从Y接的中性点引出的设备为接地电阻,代表升压站35kV系统接地采用主变带电阻接地。图中右侧小圆圈代表平衡绕组,电压等级一般为10kV,中间的三角代表三相△接。
 
  二、断路器


 
  断路器是指能够关合、承载和开断正常回路条件下的电流并能关合、在规定的时间内承载和开断异常回路条件下的电流的开关装置。
 
  三、双极接地隔离开关
 
  隔离开关是一种主要用于隔离电源、倒闸操作、用以连通和切断小电流电路,无灭弧功能的开关器件。
 
 
  双极接地隔离开关因含两个接地刀闸,所以在主接线图里用以上绘图方式表示。
 
  四、单极接地隔离开关
 
  单极接地隔离开关因只含一个接地刀闸,所以在主接线图里用以上绘图方式表示。
 
 
  单极接地一般用于断路器的母线侧的隔离开关,与之配套的接地刀闸安装在该隔离开关的断路器侧。
 
  双极接地一般用于线路侧的隔离开关,该隔离开关的断路器侧和线路侧都装有接地刀闸,或是母线上电压互感器的隔离开关,该隔离开关的母线侧和电压互感器侧都装有接地刀闸,为了便于设备检修时可以用接地刀闸代替地线。
 
  五、电流互感器
 
  电流互感器(简称CT)是依据电磁感应原理将一次侧大电流转换成二次侧小电流来测量的仪器。电流互感器是由闭合的铁心和绕组组成。它的一次侧绕组匝数很少,串在需要测量的电流的线路中。
 
 
  符号中数列三列代表每相一台共三台设备,横排七排代表七个线圈。
 
  六、电压互感器
 
  电压互感器(简称PT)和变压器类似,是用来变换线路上的电压的仪器。电压互感器变换电压的目的,主要是用来给测量仪表和继电保护装置供电,用来测量线路的电压、功率和电能,或者用来在线路发生故障时保护线路中的贵重设备、电机和变压器。
 
 
  七、避雷器
 
  避雷器是用于保护电气设备免受高瞬态过电压危害并限制续流时间也常限制续流幅值的一种电器。
 
 
  经过以上图文对照,是不是大家已经基本学会了升压站电气主接线主要设备的识别,也就基本能看懂升压站电气主接线图啦~
返回 国际新能源网 首页

新能源资讯一手掌握,关注 风电头条 储能头条 微信公众号

看资讯 / 读政策 / 找项目 / 推品牌 / 卖产品 / 招投标 / 招代理 / 发文章

风电头条

储能头条

0条 [查看全部]   相关评论

国际能源网站群

国际能源网 国际新能源网 国际太阳能光伏网 国际电力网 国际风电网 国际储能网 国际氢能网 国际充换电网 国际节能环保网 国际煤炭网 国际石油网 国际燃气网